湘阴县人民政府 住房和城乡建设局
政府信息公开
政府信息公开指南
法定主动公开内容
机构概况
通知公告
部门文件
人事信息
规划计划
财政预决算
信息公开年度报告
依 申 请公 开
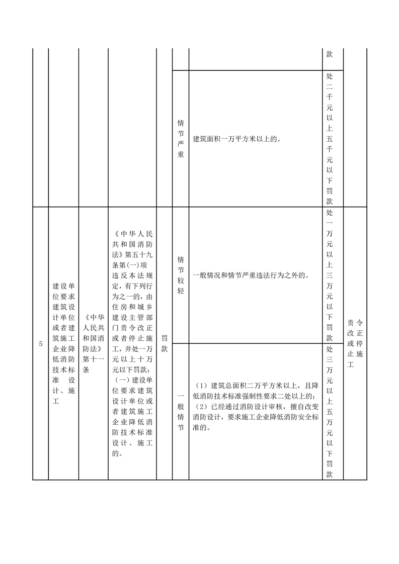
关于转发岳阳市住房和城乡建设局关于印发《岳阳市建设工程消防行政处罚自由裁量基准(2022版)》的通知
来源: 湘阴县住房和城乡建设局
发布时间: 2025-06-12 09:30
浏览次数:
1