湘阴县人民政府 住房和城乡建设局
政府信息公开
政府信息公开指南
法定主动公开内容
机构概况
通知公告
部门文件
人事信息
规划计划
财政预决算
信息公开年度报告
依 申 请公 开
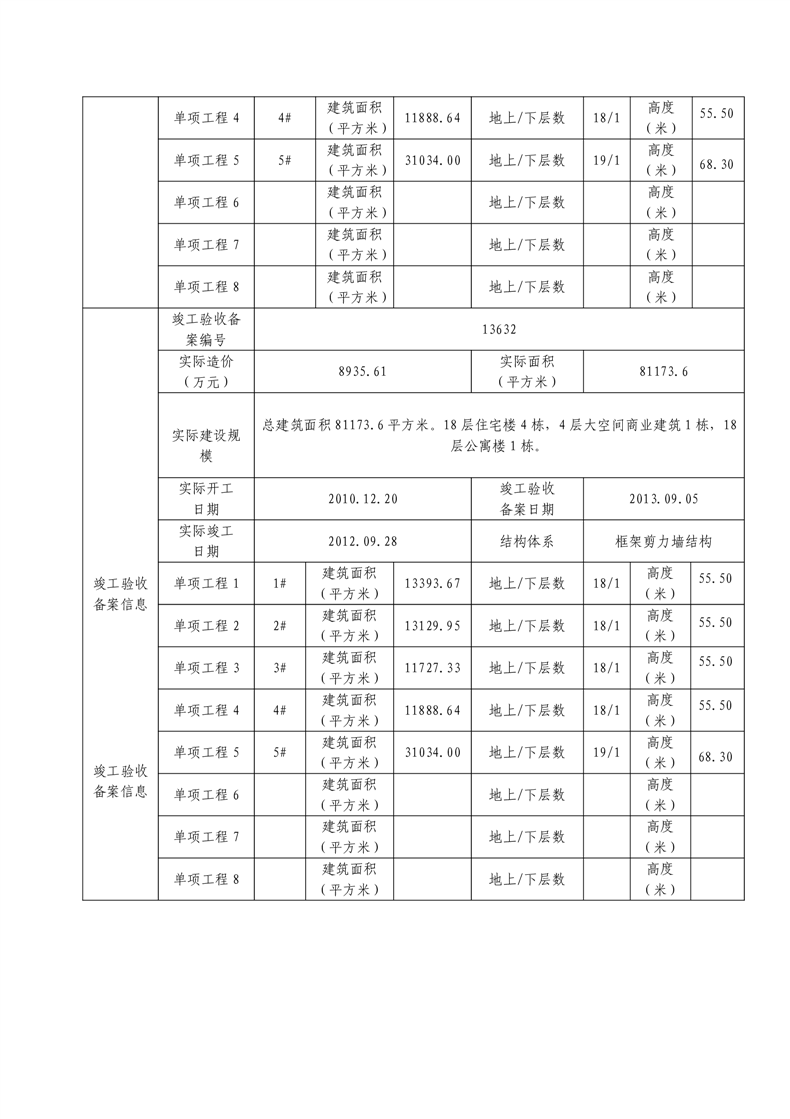
关于湖南省建筑市场监管公共服务平台数据治理的公示
来源: 湘阴县住房和城乡建设局
发布时间: 2025-07-07 11:01
浏览次数:
1