湘阴县人民政府 医疗保障局
政府信息公开
政府信息公开指南
法定主动公开内容
机构概况
部门文件
人事信息
医疗救助
财政预决算
信息公开年度报告
依 申 请公 开
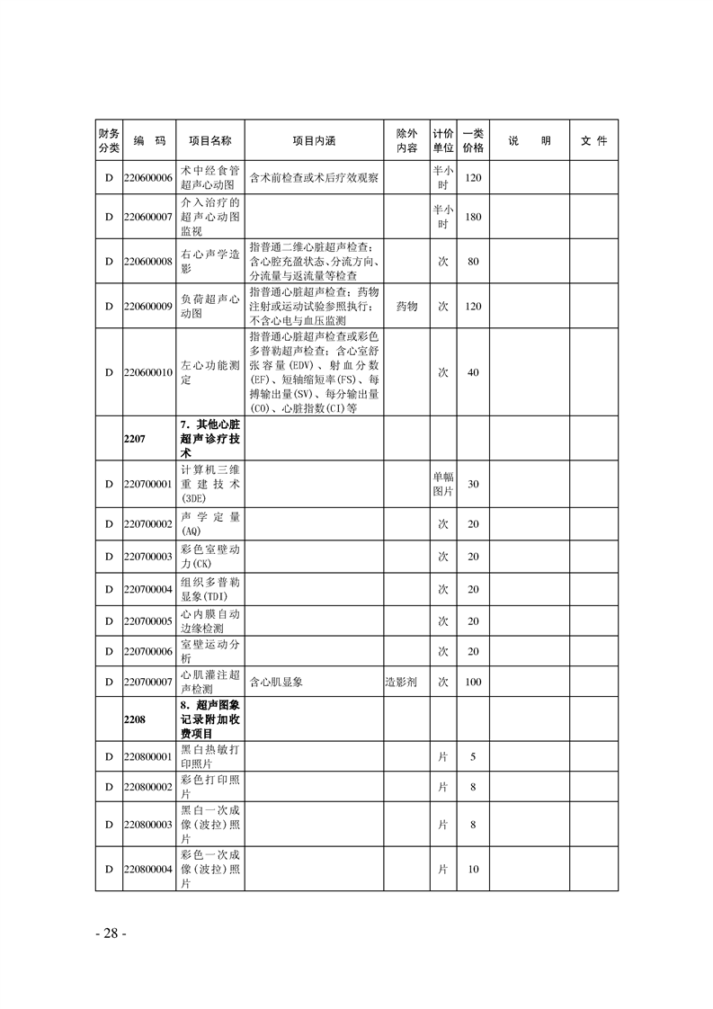
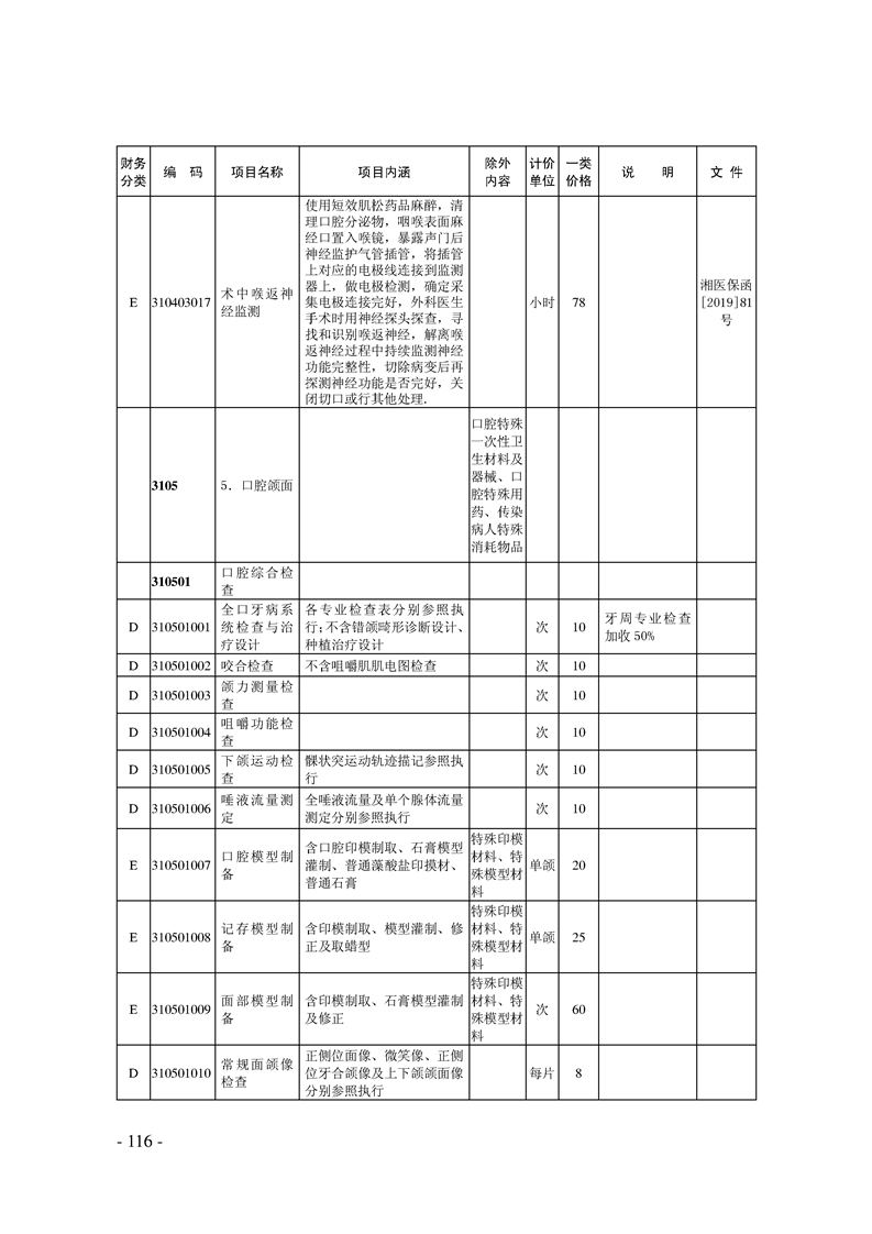
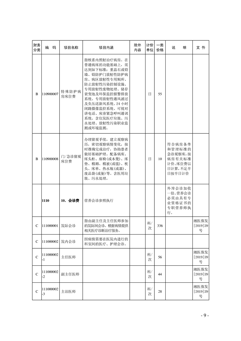
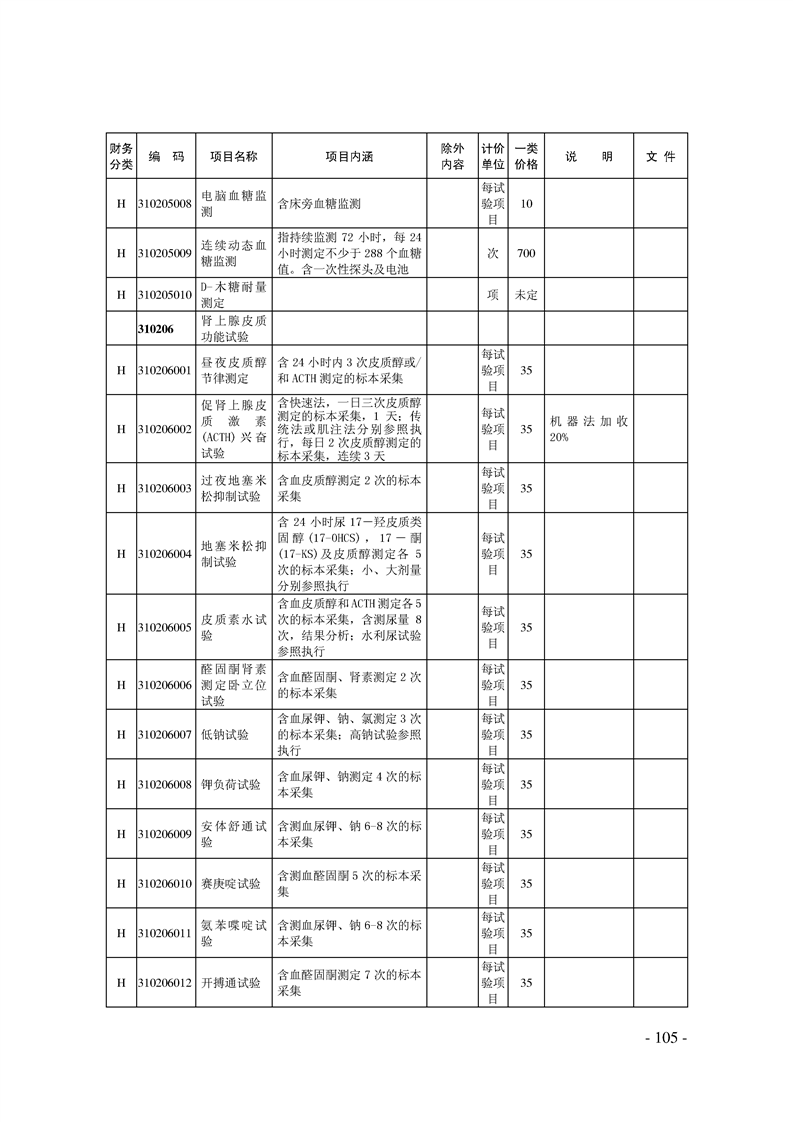
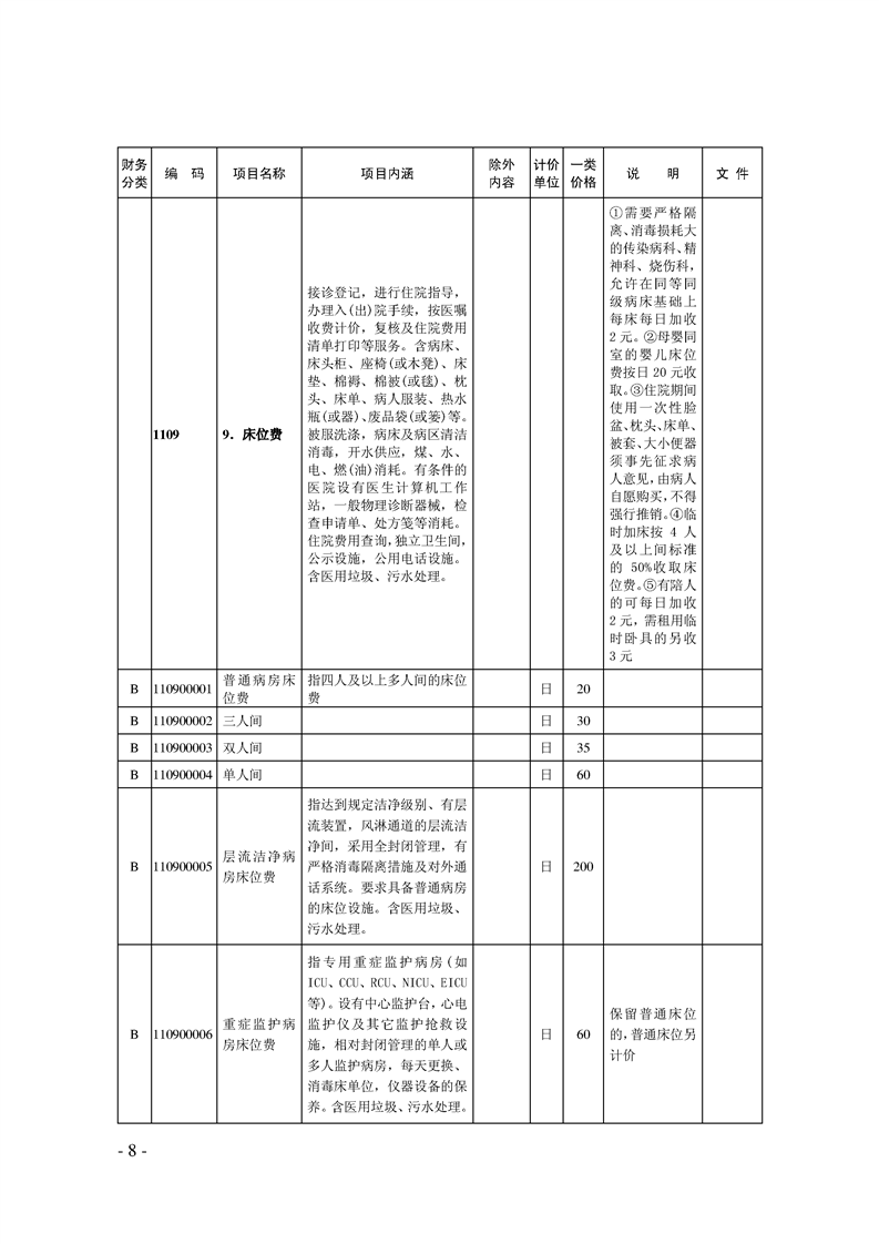
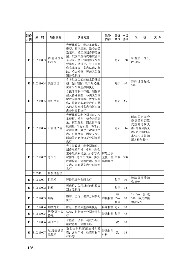
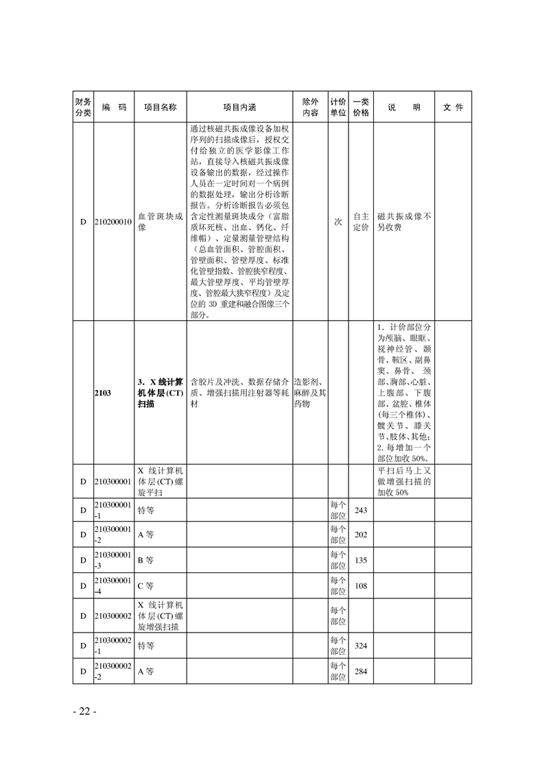
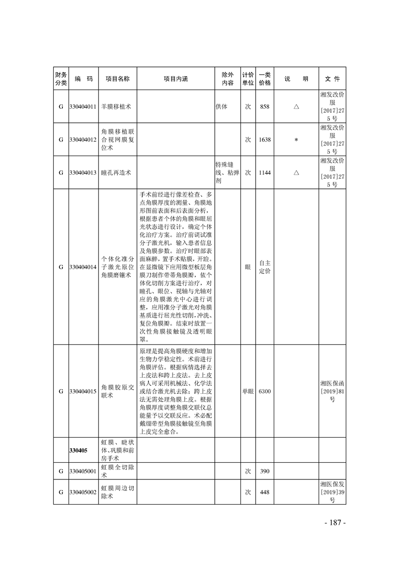
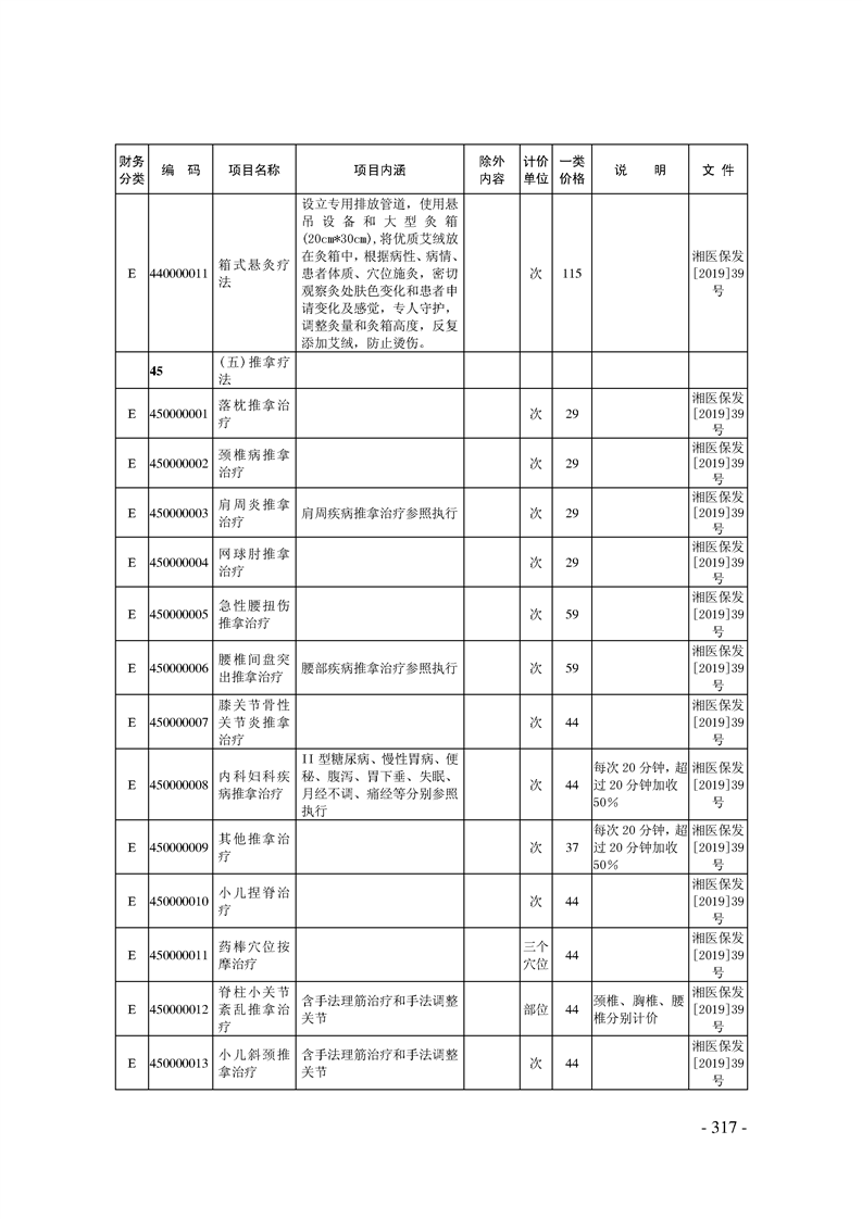
关于印发《湖南省现行医疗服务价格目录(2019)》的通知
来源: 湘阴县医疗保障局
发布时间: 2019-12-31 14:44
浏览次数:
1