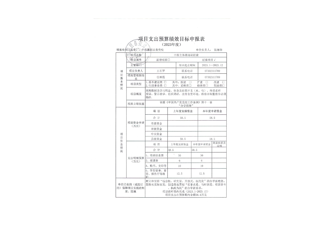
2023年度中共湘阴县委党校整体和专项支出预算绩效目标申报表
详细信息
| 公开具体内容 |
|
||
基本信息
| 所属领域 | 财政预决算 | ||
| 一级事项 | 财政预决算 | 二级事项 | 部门预算 |
| 公开时限 | 本级政府财政部门批复后20日内 | 公开方式 | 主动 |
| 公开依据 | 《预算法》、《政府信息公开条例》、《财政部关于印发<地方预决算公开操作规程的通知>》等法律法规和文件规定 | ||
| 公开主体 | 湘阴县财政局 | ||
| 公开层级1 | 县级 | 公开渠道和载体 | 政府网站,部门网站 |
- 详细信息
- 基本信息




