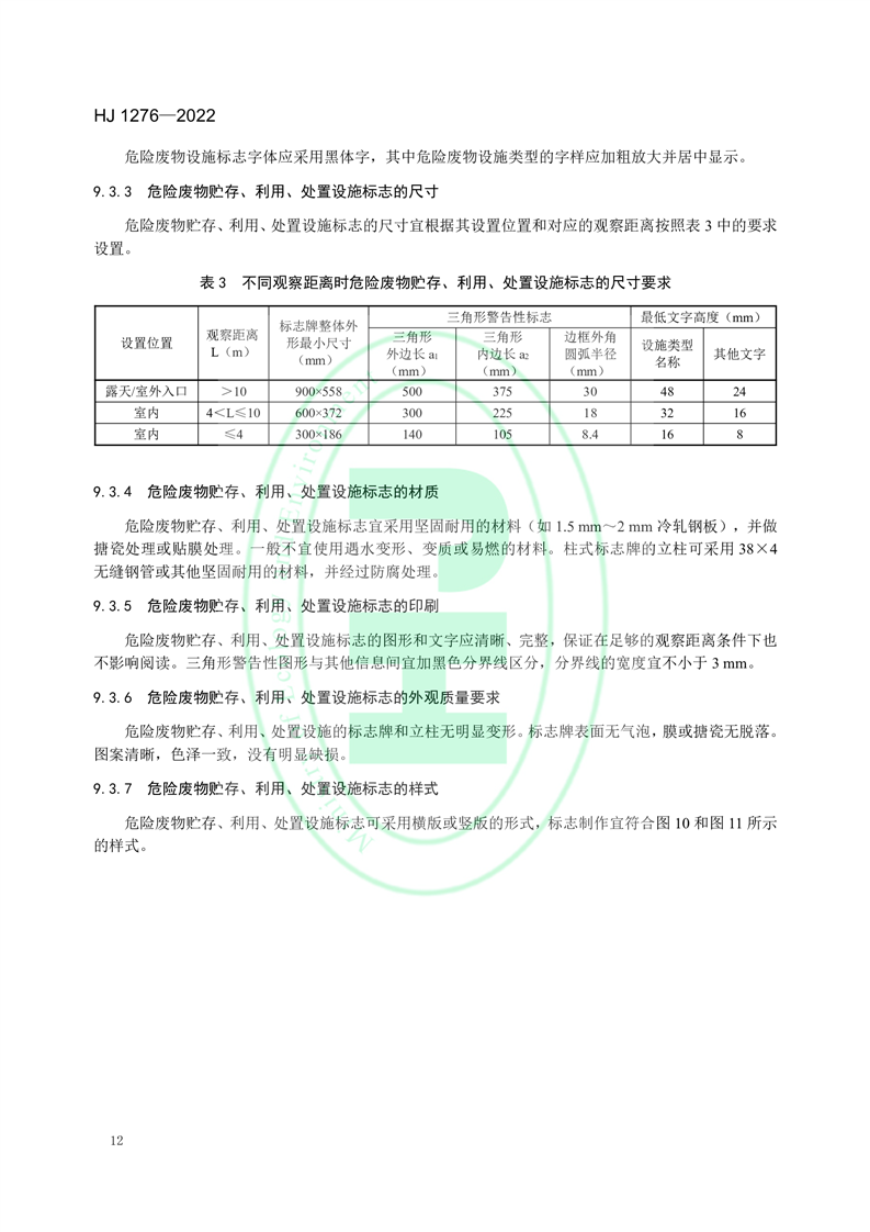
危险废物识别标志设置技术规范 (HJ 1276—2022)
详细信息
| 公开具体内容 |
|
||
基本信息
| 所属领域 | 生态环境 | ||
| 一级事项 | 公共服务事项 | 二级事项 | 环境保护知识普及 |
| 公开时限 | 自该信息形成或者变更之日起20个工作日内 | 公开方式 | 主动 |
| 公开依据 | 《中华人民共和国政府信息公开条例》(国令第711号)、《中华人民共和国环境保护法》(主席令第9号) | ||
| 公开主体 | 岳阳市生态环境局湘阴分局 | ||
| 公开层级1 | 县级 | 公开渠道和载体 | 政府网站 |
- 详细信息
- 基本信息




















