当前位置:
首页
>
政务公开
>
政务要闻
>
通知公告
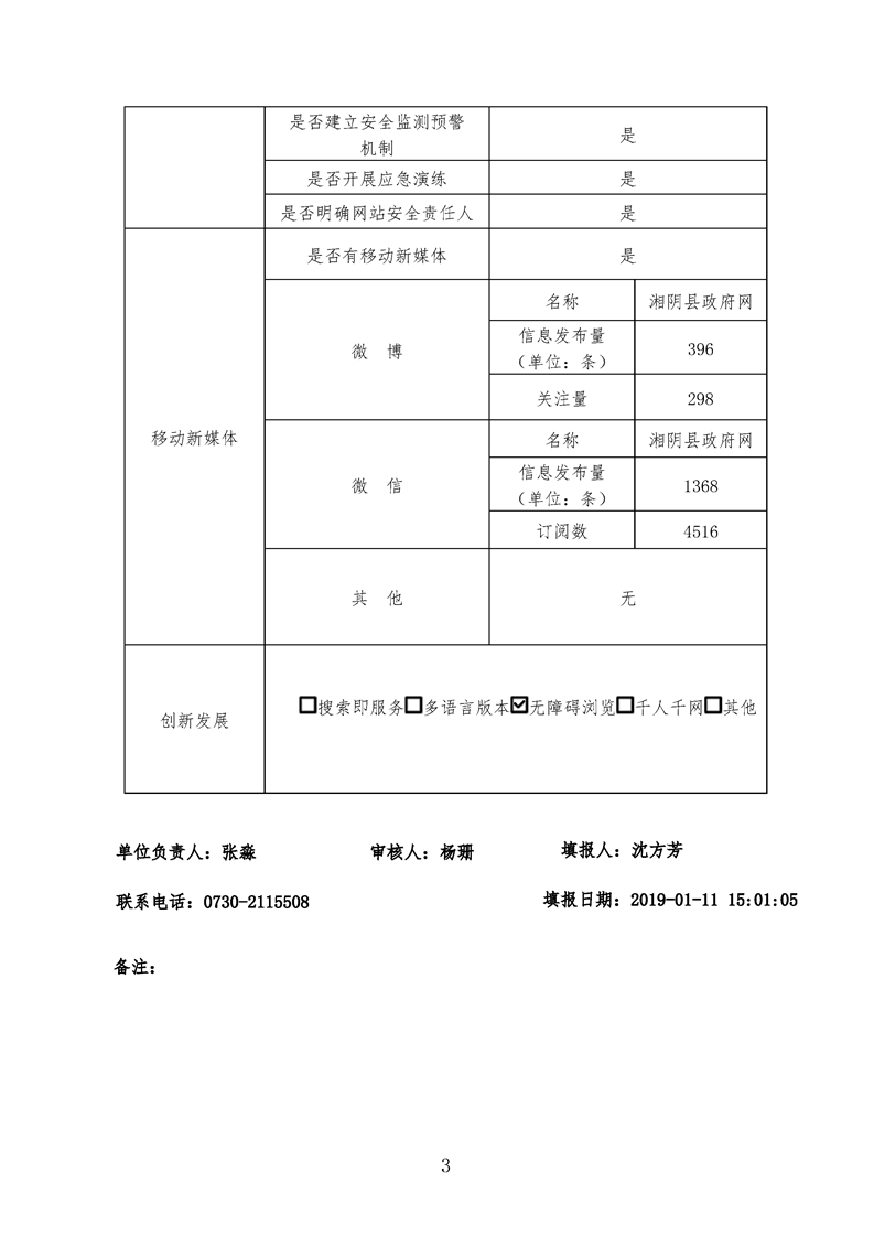
湘阴县政府门户网站工作2018年度报表
来源:湘阴县政府
2019-01-11 15:02
浏览量:
1
|
|
|
|