归档时间:2025-04-07
当前位置:
首页
>
数据发布
>
水质监测
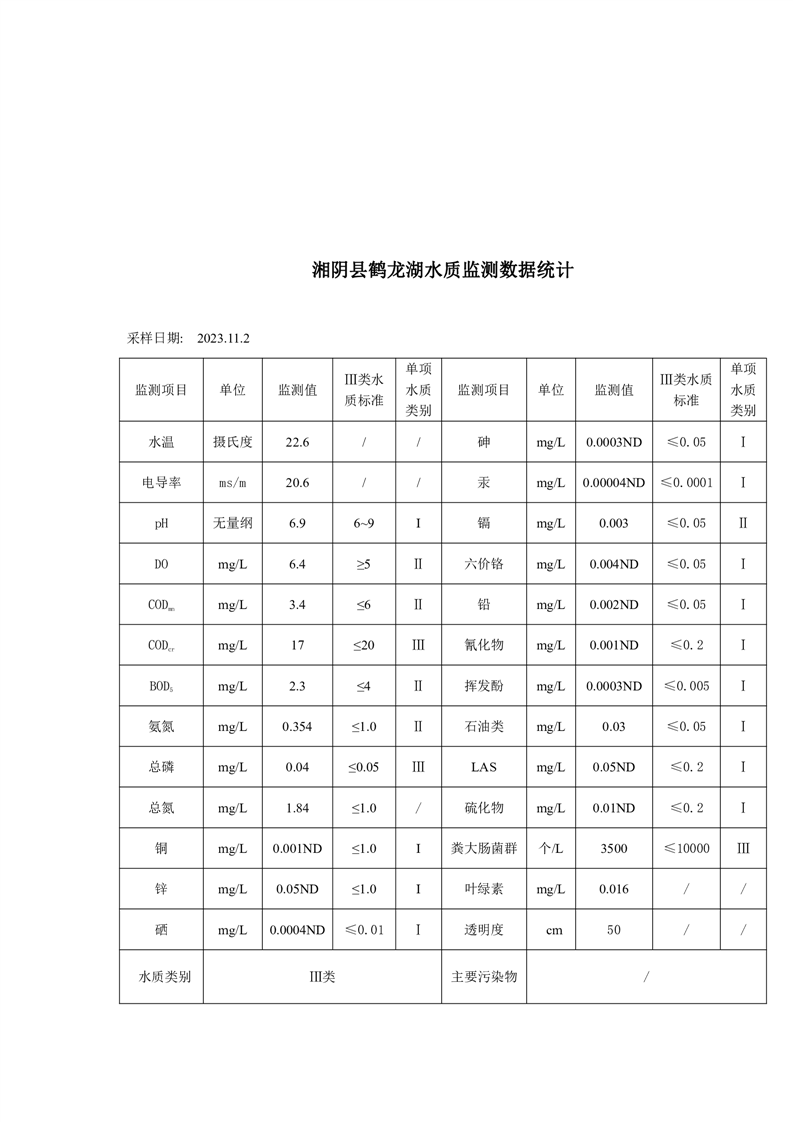
2023年11月份湘阴县水质监测点监测情况公示
来源:岳阳市生态环境局湘阴分局
2023-12-18 11:08
浏览量:
1
|
|
|
|