当前位置:
首页
>
重点领域信息公开
>
生态环境
>
环保规划
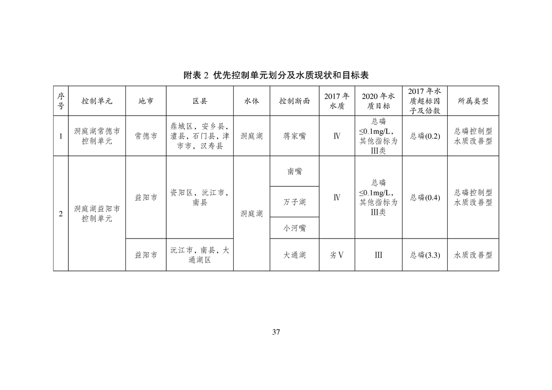
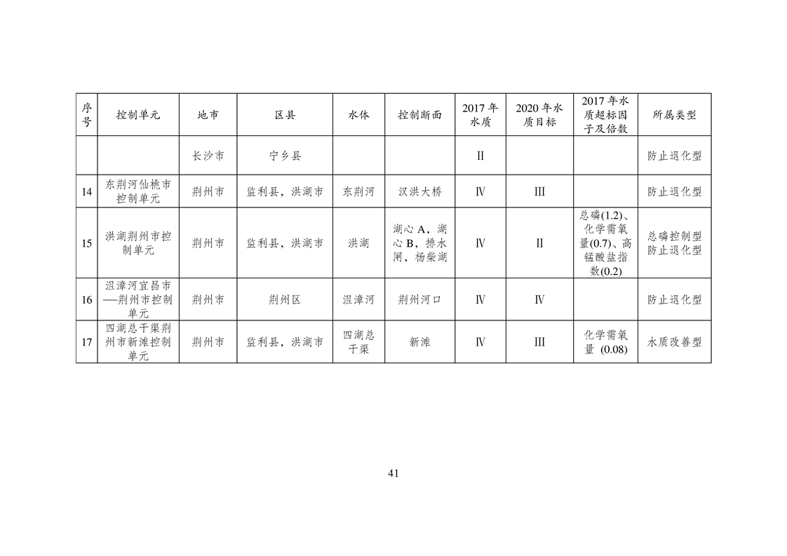
《洞庭湖水环境综合治理规划》
来源:岳阳市政府网
2019-03-25 11:42
浏览量:
1
|
|
|
|