当前位置:
首页
>
重点领域信息公开
>
生态环境
>
环境执法
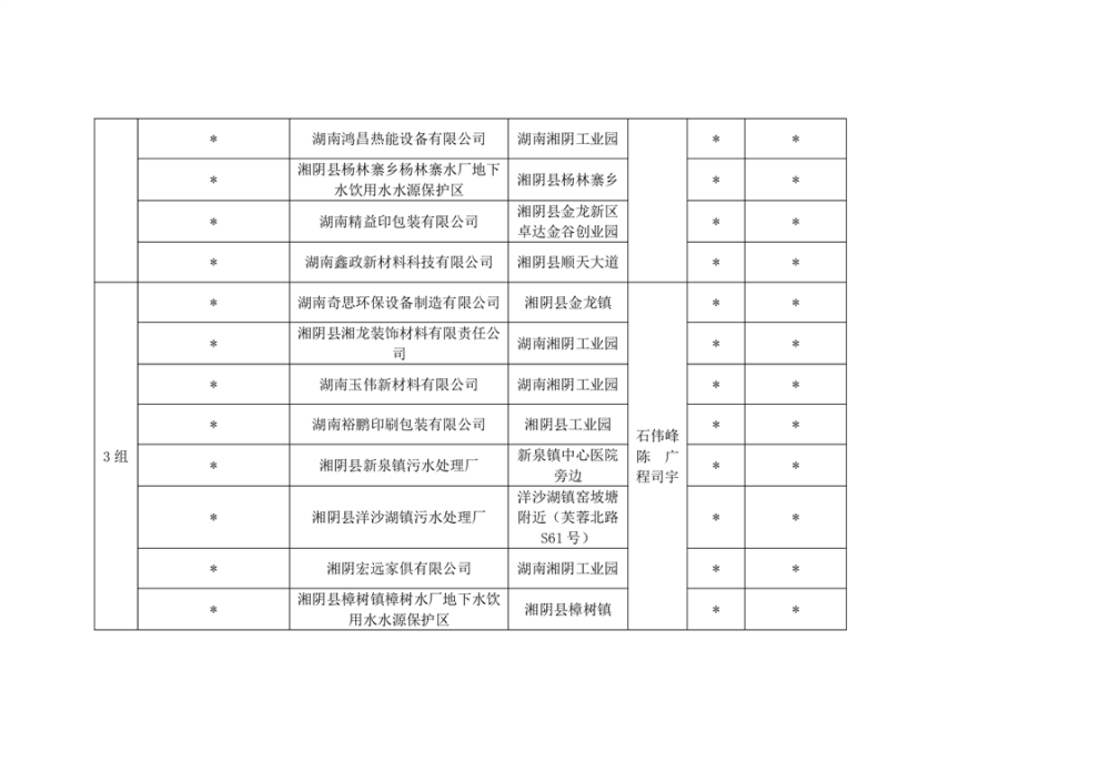
2024年第三季度抽查计划表
来源:市生态环境局湘阴分局
2024-09-29 16:19
浏览量:
1
|
|
|
|