当前位置:
首页
>
重点领域信息公开
>
生态环境
>
污染防治
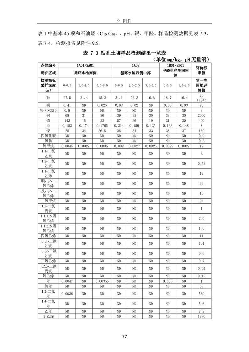
湘阴县兴业化工有限公司地块土壤污染状况初步调查报告
来源:岳阳市生态环境局湘阴分局
2024-04-23 08:43
浏览量:
1
|
|
|
|