当前位置:
首页
>
重点领域信息公开
>
重大项目
>
重大项目目录
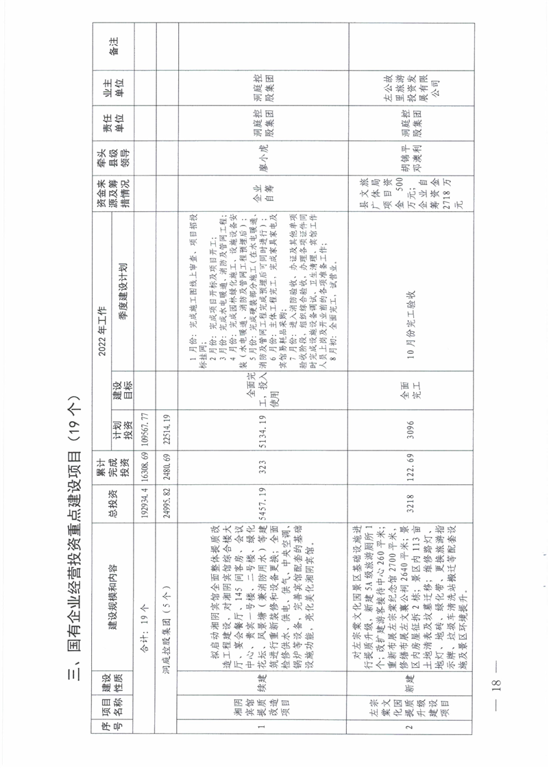
中共湘阴县委办公室 湘阴县人民政府办公室 《关于下达湘阴县2022年重点建设项目计划的通知》
来源:湘阴县发展和改革局
2022-02-14 11:01
浏览量:
1
|
|
|
|