湘阴县人民政府 市场监督管理局
政府信息公开
政府信息公开指南
法定主动公开内容
机构概况
部门文件
规划计划
人事公开
财政预决算
业务工作
市场监管
质量基础一站式服务
岳阳市质量基础一站式服务
信息公开年度报告
依 申 请公 开
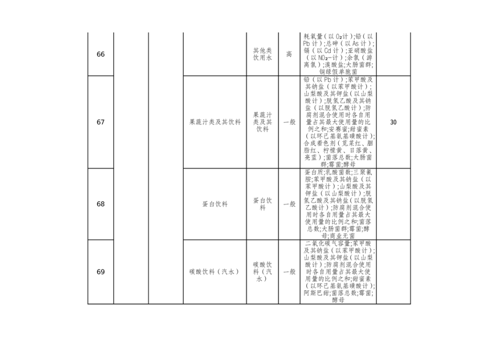
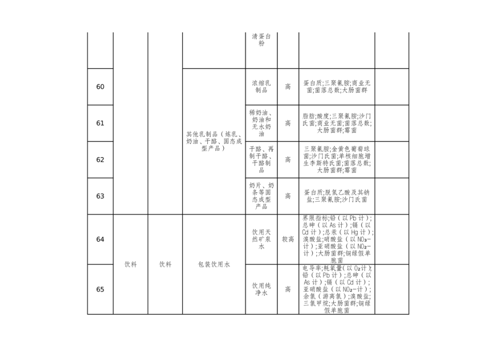
湘阴县市场监督管理局2026年度食品监督抽检询价方案
来源: 湘阴县市场监督管理局
发布时间: 2026-04-08 15:53
浏览次数:
1