归档时间:2020-08-07
当前位置:
首页
>
专题专栏
>
“一件事一次办”服务
>
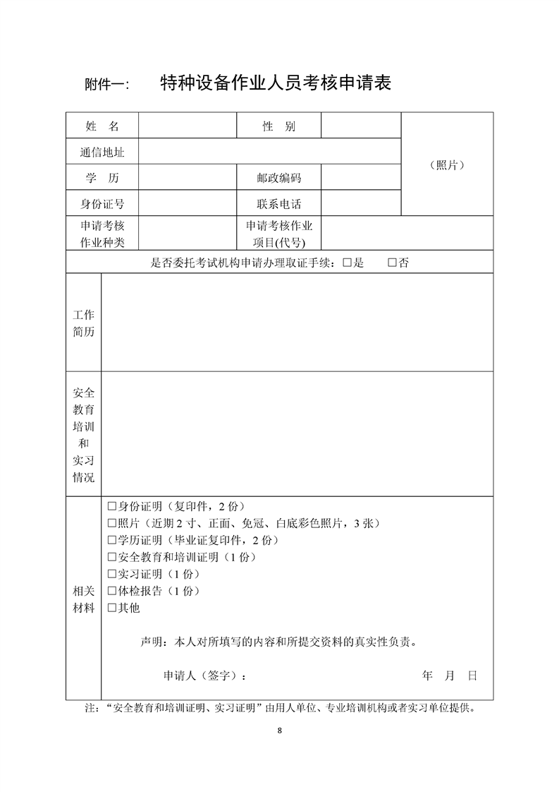
我要办特种设备作业人员证(个人)
我要办特种设备作业人员证(个人)
来源:湘阴县最多跑一次改革办公室
2020-03-31 11:25
浏览量:
1
|
|
|
|