归档时间:2024-09-10
当前位置:
首页
>
专题专栏
>
工程建设审批改革专栏
>
资料下载
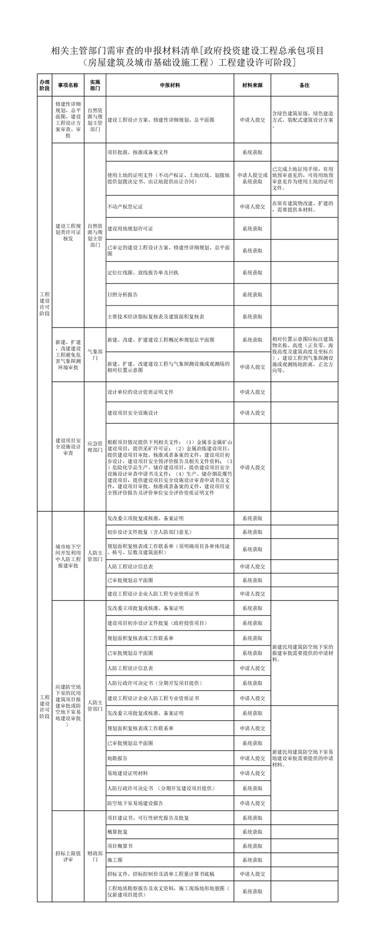
政府投资建设工程总承包项目(房屋建筑及城市基础设施工程)工程建设许可阶段申请表单、申报材料清单
来源:湘阴县工程建设项目审批制度改革工作领导小组办公室
2022-03-17 14:19
浏览量:
1
|
|
|
|