归档时间:2024-09-10
当前位置:
首页
>
专题专栏
>
工程建设审批改革专栏
>
资料下载
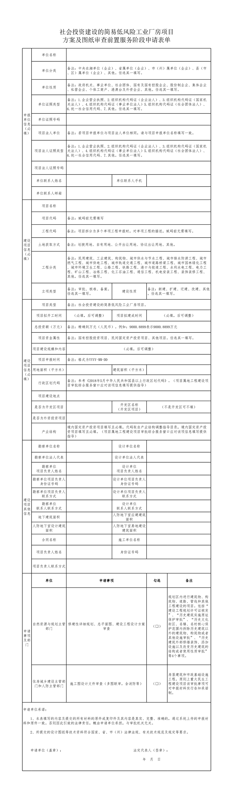
社会投资建设的简易低风险工业厂房项目方案及图纸审查前置服务阶段申请表单、申报材料清单
来源:湘阴县工程建设项目审批制度改革工作领导小组办公室
2022-03-17 14:49
浏览量:
1
|
|
|
|