湘阴县人民政府 水利局
政府信息公开
政府信息公开指南
法定主动公开内容
机构概况
部门文件
通知公告
规划计划
人事公开
财政预决算
行政许可
水利执法
“河长制”公示
信息公开年度报告
依 申 请公 开
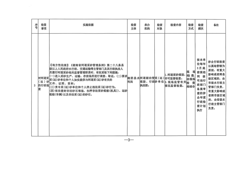
湘阴县水利局涉企行政检查事项清单
来源: 湘阴县水利局
发布时间: 2025-05-09 09:15
浏览次数:
1