湘阴县人民政府 水利局
政府信息公开
政府信息公开指南
法定主动公开内容
机构概况
工作动态
部门文件
通知公告
规划计划
人事公开
财政预决算
行政许可
水利执法
“河长制”公示
信息公开年度报告
依 申 请公 开
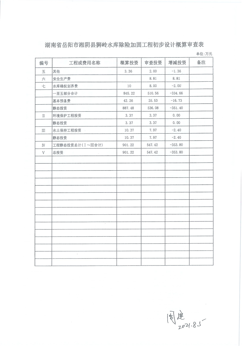
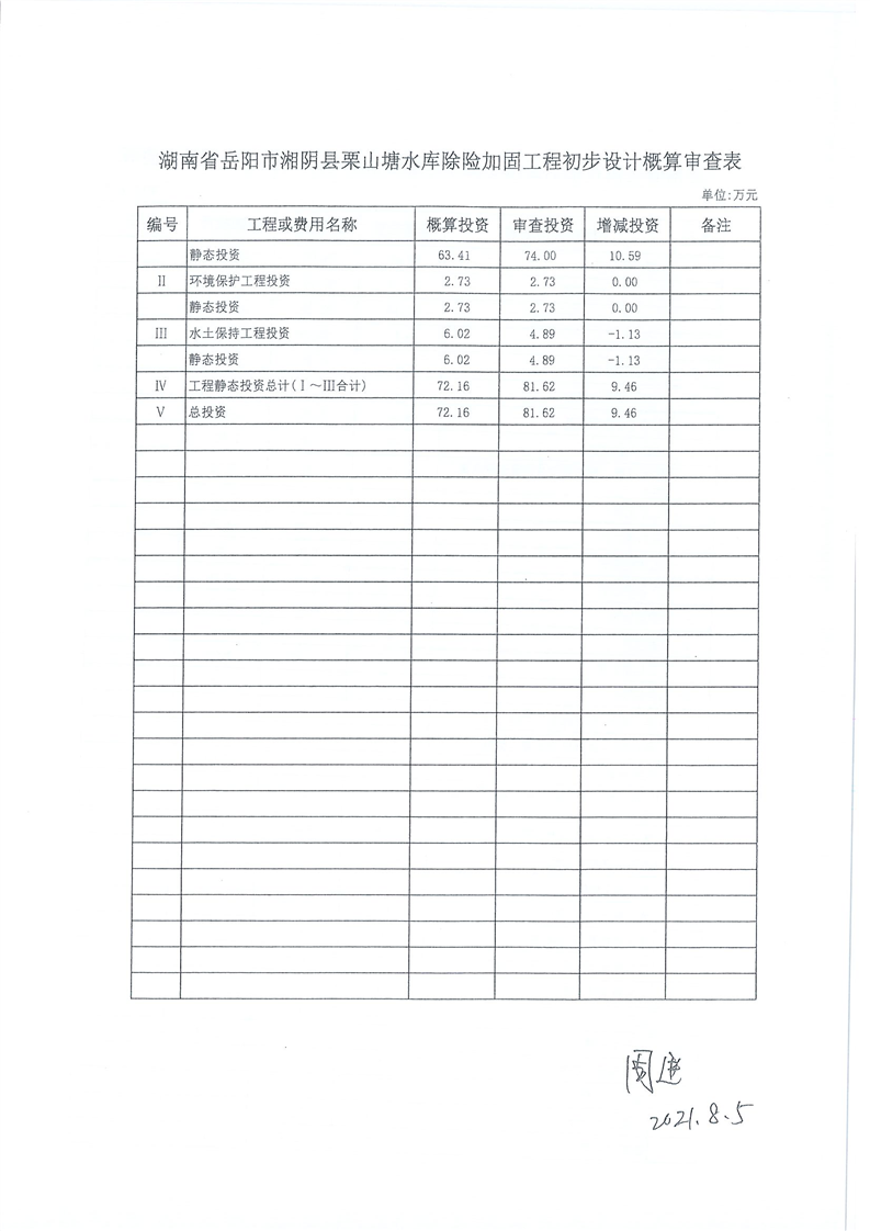
关于对2021年狮岭等6座小(2)型水库除险加固工程初步设计报告的批复
来源: 湘阴县水利局
发布时间: 2021-08-09 09:42
浏览次数:
1